Thông số kỹ thuật vòi chậu gật gù TOTO TLS02303V nóng lạnh
(bao gồm bộ xả, không gồm ống thải chữ P)
- Áp lực nước: 0.05MPa ~ 0.75MPa
- Lớp mạ: Nickel Chrome
- Xuất xứ: Việt Nam
Tính năng vòi lavabo TOTO TLS02303V
- Thiết kế hiện đại hài hòa với dòng sản phẩm LN Series
- Lớp mạ bền vững với thời gian
- Thân van bằng đồng thau
- Van đĩa bằng sứ chống bám cặn bẩn giúp khóa nước hoàn toàn
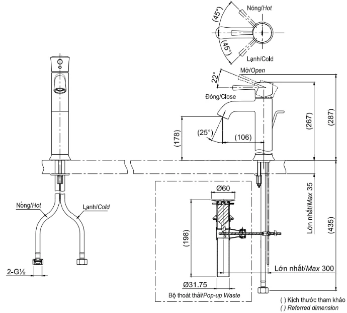
Bản vẽ kỹ thuật vòi lavabo TOTO TLS02303V

Vui lòng liên hệ trực tiếp để nhận hỗ trợ, và đến cửa hàng để nhận được ưu đãi tốt nhất
Địa chỉ: Số 9, Nguyễn Xiển, Thanh Xuân, Hà Nội
ĐT: 0971958991/ 0243 2009829/ 033 973 0666
Đánh giá sản phẩm của chúng tôi